圖解步進電機基本結構和工作原理
本文對步進電機的基本構造跟工作原理內容比較復雜,我盡可能簡單點講,讓大家都能夠清楚的了解到,從初學者到技術者大家都能學會,不懂的可以資訊漢德保小編。
1、什么是步進電機?
步進電機是將電脈沖信號轉變為角位移或線位移的開環控制元步進電機件,簡單來講,是使物體產生相對角位移的設備,通過控制施加在電機線圈上的電脈沖順序、頻率和數量,可以實現對步進電機的轉向、速度和旋轉角度的控制。
通過給步進電機加裝直線運動執行機構或齒輪箱裝置,更可以實現更加復雜、精密的線性運動控制要求。也就是我們常見的減速步進電機、絲桿步進電機、剎車步進電機等,通過加裝配置使得步進電機多功能應用化。
步進電機也叫步進器,它利用電磁學原理,將電能轉換為機械能。步進電機一般由前后端蓋、軸承、中心軸、轉子鐵芯、定子鐵芯、定子組件、波紋墊圈、螺釘等部分構成,是由纏繞在電機定子齒槽上的線圈驅動的。通常情況下,一根繞成圈狀的金屬絲叫做螺線管,而在電機中,繞在定子齒槽上的金屬絲則叫做繞組、線圈、或相。這也就是我們常見的二相步進電機、三相步進電機、五相步進電機的由來。下圖是步進電機的基本構造。

2、步進電機的工作原理
步進電機是怎么工作的呢?是由什么來控制的呢?使得步進電機工作的叫驅動器,業內也叫步進電機驅動器。步進電機驅動器根據外來的控制脈沖和方向信號,通過其內部的邏輯電路,控制步進電機的繞組以一定的時序正向或反向通電, 使得電機正向/反向旋轉,或者鎖定。
? 以1.8度兩相步進電機為例:當兩相繞組都通電勵磁時,電機輸出軸將靜止并鎖定位置。在額定電流下使電機保持鎖定的最大力矩為保持力矩。如果其中一相繞組的電流發生了變向,則電機將順著一個既定方向旋轉一步(1.8度)。同理,如果是另外一項繞組的電流發生了變向,則電機將順著與前者相反的方向旋轉一步(1.8度)。當通過線圈繞組的電流按順序依次變向勵磁時,則電機會順著既定的方向實現連續旋轉步進,運行精度非常高。對于 1.8度兩相步進電機旋轉一周需200步。
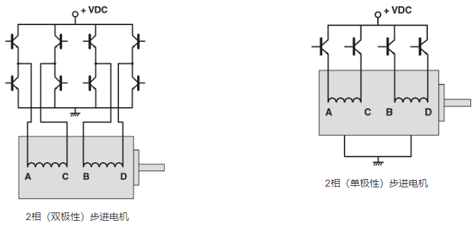
兩相步進電機有兩種繞組形式:雙極性和單極性。雙極性電機每相上只有一個繞組線圈,電機連續旋轉時電流要在同一線圈內依次變向勵磁,驅動電路設計上需要八個電子開關進行順序切換。單極性電機每相上有兩個極性相反的繞組線圈,電機連續旋轉時只要交替對同一相上的兩個繞組線圈進行通電勵磁。驅動電路設 計上只需要四個電子開關。在雙極性驅動模式下,因為每相的繞組線圈為100%勵磁,所以雙極性驅動模式下電機的輸出力矩比單極性驅動模式下提高了約 40%。

步進電機的是通過位移轉動來實現功能的,那么步進電機的準確,也就是我們說的步距角這個有哪些標準?下面繼續分析
3、準確位置控制
??步進電機以一個固定的步距角轉動,就像時鐘內的秒針。這個角度稱為基本步距角。漢德保提供兩種基本步距角來作為標準電機:基本步距角為1.8°兩相步進電機和基本步距角為1.2°的三相步進電機。
??除標準電機以外,漢德保也提供其它基本步距角的步進電機,分別是0.72°,0.9°,1.5°,3.6°,3.75°。這些電機并沒有列在此目錄中,具體事宜請聯系漢德保電機。

4、簡單的脈沖控制
知道了步進電機是通過驅動器得到脈沖信號來發射指令工作的,需高精度定位的系統如下所示??刂破靼l出的脈沖信號可以準確地控制步進電機的轉動角度和速度。那么我們需要進一步了解,什么是脈沖信號?

5、什么是脈沖信號?
脈沖信號是一個電壓反復在ON 和OFF 之間改變的電信號。
每個ON/OFF周期被記為一個脈沖。單個脈沖信號指令使電機出力軸轉動一步。
對應電壓ON和OFF情況下的信號電平被分別稱為“H”和“L”。

我們了解到了脈沖信號是什么,也知道了脈沖跟步進電機有者一種合作關系,要記住兩點,步進電機的轉動距離跟脈沖數成比例,步進電機的轉速跟脈沖頻率成比例,下面我們詳細講解一下這兩個的比例關系。
6、轉動距離與脈沖數成比例關系
步進電機的轉動距離正比于施加到驅動器上的脈沖信號數(脈沖數)。
步進電機轉動(電機出力軸轉動角度)和脈沖數的關系如下所示:

7、轉速與脈沖頻率成比例關系
步進電機的轉速與施加到驅動器上的脈沖信號頻率成比例關系。
電機的轉速[r/min] 與脈沖頻率[Hz] 的關系如下(整步模式):

根據以上的步進電機的基本構造跟工作原理,我們了解到了步進電機是一個怎么運動,怎么工作的機械元件,那么步進電機在應用的時候有哪些優點呢?
8、高力矩、小體積
步進電機的重要特征之一是高力矩、小體積。因此得應用于好多行業,譬如口罩機,核酸檢測機,傳動設備,激光設備等等。
這些特征使得步進電機具有優秀的加速和響應,使得這些電機非常適合那些需要頻繁啟動和停止的應用中。
漢德保也有帶減速機型電機可供選擇,以滿足低速下更高力矩的需求。
總結:以上就是關于步進電機的一些基本知識,如果你們有應用到,需要購買設備,或者維修替換的,可以咨詢漢德保小編,18年技術沉淀,廠家直銷只為給您提供更加信賴的品牌。
下一篇:42步進電機參數詳細