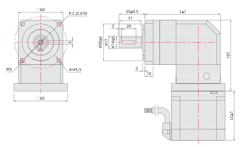
帶有錐齒換向機構,可實現直角輸出。
結構緊湊,硬齒面傳遞扭矩大。
高境地齒輪,90%以上的傳動效率。
錐齒副滲碳處理,硬度達HRC58,耐磨性優。



15817488109
步進電機不是恒轉矩電機,運行轉速越高輸出轉矩會越小,所以關注電機保持轉矩參數的同時更應當關注在實際工作轉速下電機的輸出轉矩(可參考動態力矩曲線圖);并且我們建議預留1.5倍的余量,以免出現過載情況下步進電機丟步的現象。
型式 | 步距角 | 保持力矩 | 額定電流 | 長度LC | 重量 | 工作電壓范圍 |
SM3401PZF60- | 1.8° | 3.4 | 4.5 | 67.0 | 1.8 | S-266D ASA872R 24~80VAC |
SM3402PZF60- | 1.8° | 4.5 | 4.5 | 80.0 | 2.1 |
行星減速步進電機選型時應根據減速機額定輸出扭矩是否符合使用要求,并乘以傳動效率;建議輸入轉速小于800rpm,最終扭矩應小于額定扭矩,以避免減少減速機使用壽命。
減速比 | 3 | 4 | 5 | 7 | 8 | 10 | 12 | 16 | 20 | 25 | 28 | 35 | 40 | 50 | 70 | 100 |
額定輸出扭矩 N.m | 15 | 25 | 27 | 19 | 19 | 12 | 28 | 29 | 29 | 31 | 29 | 31 | 29 | 31 | 22 | O |
效率(%) | 96% | 94% | ||||||||||||||
回程間隙 (狐分) | ≤8 | ≤10 | ||||||||||||||
輸入轉速(rpm) | ≤3000 | ≤3000 | ||||||||||||||
機身長L/重量 | L=105.5(mm)/1.7(kg) | L=121.5(mm)/1.9(kg) | ||||||||||||||
徑向力(N) | 400 | |||||||||||||||
軸向力 (N) | 300 | |||||||||||||||
最大容許輸出扭矩 | 2倍額定扭矩 | |||||||||||||||
★ 提供定制需求,繞線規格、機身長度、出線方式、出軸規格、定位凸臺等。請咨詢漢德保銷售人員或聯系漢德保授權代理商。

上一款產品:PF86mm行星減速步進電機
下一款產品:PZF86mm行星減速步進電機