1、螺母往復運動;
2、最大推力900N;
3、低噪音、低損耗、性能穩、結構簡單;
4、機身長度、絲桿長度、導程可根據客戶要求定制;
5、應用于醫療設備、半導體設備、閥門控制、X-Y工作臺、手持式儀器或任何需要精確直線運動的地方。
15817488109
命名規則:
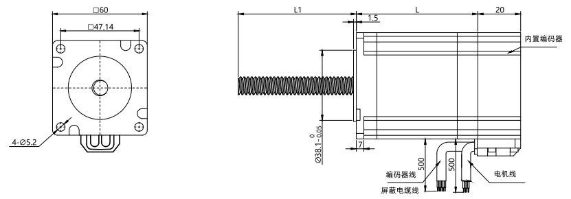
24E5550G1605-X-□□□
規格 | 說明 |
24 | 電機外徑:60mm |
E | 電機類型:外部驅動式 |
55 | 機身長度:55mm |
50 | 額定電流:5.0A |
G | 絲桿代碼 |
X | 配件代碼:E1(1000線編碼器)、E2(2000線編碼器)、 B(剎車)、C(一體式) |
□ | 絲桿長度:□mm |
□□□ | 絲桿端部加工定制表:G光軸、A一字槽、M內螺紋 |
電機參數:
產品型號 | 電壓 | 額定 電流 | 保持 力矩 | 機身長 | 推薦 驅動器 |
24E5550G1605-X-□□□ | 2.1V | 5A | 1.5N.m | 55mm | 脈沖型:ISD880 |
24E7550G1605-X-□□□ | 2.9V | 5A | 2.5N.m | 75mm |
漢德保電機可根據客戶要求定制:繞線參數、出線方式。
漢德保其他類型驅動器有:功能型(開關型、模擬量型)、總線型(RS485、CANopen、EtherCAT等)
絲桿參數:
產品型號 | 絲桿直徑 | 導程 | 精度等級 | 定位精度 | 軸向間隙 |
1202 | 12mm | 2mm | C7 | ±0.05 | ≤0.03 |
1205 | 5mm | ||||
1210 | 10mm |
請注意:其他絲桿直徑、導程可根據客戶要求定制。
編碼器性能參數
編碼器解析度 | 1000線、2000線可選 |
工作溫度 | -20℃-85℃ |
儲藏溫度 | -40℃-85℃ |
濕度 | RH90%max,非冷凝環境 |
供電電壓 | 5V |
上升/下降沿時間 | 2ms |
脈寬 | 100us |

請注意:
1、絲桿長度及端部加工可根據客戶要求加工;
2、T型絲桿表面可做PTFE涂覆處理。
安裝方法:
1、請盡量考慮散熱線、防止振動的問題,將電機牢牢地固定在強韌的金屬面上。
2、務必用電機前端蓋的安裝凸臺定位,并注意公差配合,嚴格保證電機輸出軸與負載的同心度。
上一款產品:60mm外部驅動式直線絲桿滾珠步進電機
下一款產品:60mm貫穿式直線絲桿步進電機